Kizzyco - JK Flip Flop Export

Home | Vector

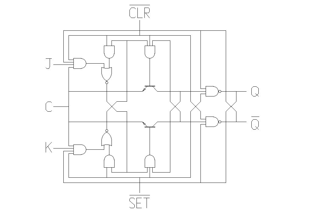
Vector for Psion 3a JK Flip Flop Export

Valid HTML 4.01 Transitional
Home | Vector
NDM: 6th May 1998 . . Updated 30th August 2005